info@tdtransmet.ru
Категория: Стыковые железнодорожные накладки

Накладка Р-18

В наличии на складе Цена по запросу
Отправить запрос
Тип:Новый
ТипР-18
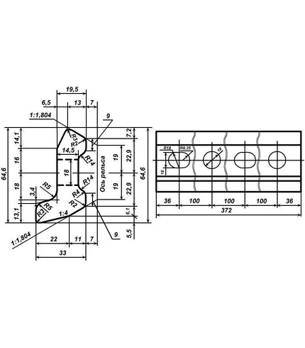
Длина, мм372
Ширина, мм33
Высота, мм64,6
Плoщaдь пoпepeчнoгo ceчeния пpoкaтa, cм210,93
Koличecтвo x paзмep oтвepcтий, шт. x мм2 x d18, 2 x 24×18
Материалсталь
Масса 1 шт.3,06 кг
Единица измерениятонна
Количество в 1 тонне327
ГОСТ, ТУГOCT 8141-56
Для типа рельсР18
Болт стыковой (приобретается отдельно)М16х72
Гайка (приобретается отдельно)М16

Среднее время доставки по Свердловской области: 7-10 дней

Наши логисты свяжутся с вами для уточнения деталей доставки

ЖД рельсовая накладка Р-18 используется  в качестве болтового рельсового скрепления. Предназначена для скрепления шейки железнодорожных магистральных рельс Р18 с помощью стыкового болта М16х72 в сборе с гайкой М16, без использования шайбы-гровера.

Основные характеристики

  • Единица измерения — тонна
  • Масса 1 шт. — 3,06 кг
  • Количество в 1 тонне — 327 шт.

ГОСТ 8141-56

На нашем сайте вы можете скачать ГОСТ 8141-56 для стыковых накладок типа Р-18 —изображение

Чертеж

чертеж рельсовой наладки Р-18

Накладки Р-18 по выгодным ценам в ТД «Трансмет»

Купить стыковую 4-х дырную накладку Р-18 по низкой цене с доставкой в Брянске вы можете на сайте Торгового Дома «Трансмет»! Доставим в короткие сроки на Ваш объект или производство. Перевозку осуществляем собственным автотранспортом или оформляем железнодорожные грузоперевозки. При необходимости груз страхуется и сопровождается.

Торговый Дом «Трансмет» — Ваш надёжный поставщик накладок и других материалов ВСП. К нам обращаются, нам доверяют!

Свяжитесь с коммерческим отделом компании и мы поможем вам с расчетом и оформлением заявки!

Телефоны: +7 (343) 361-64-95, +7 (343) 361-64-78, 8 (800) 600-54-95 (бесплатный для регионов)
E-mail: info@tdtransmet.ru

Оплата и доставка продукции

Мы предлагаем свои услуги по доставке различных грузов для железных дорог, включая железнодорожные рельсы, шпалы и другие строительные материалы.

Мы обладаем собственным транспортом, который позволяет нам осуществлять доставку грузов быстро, качественно и в срок. Наша компания осуществляет доставку продукции по всей территории России и ближнего зарубежья.

Варианты доставки

  • Доставка автотранспортом по РФ.
  • Доставка железнодорожным составом.
  • Отправка ТК по запросу. Мы сотрудничаем со всеми сертифицированными транспортными компаниями.

Наша компания заботится о комфорте и безопасности клиентов, поэтому мы предлагаем различные виды транспорта для доставки. Не важно, нужно ли вам доставить грузы на большой расстояние или через город, мы предоставим вам наилучшее решение для вашего бизнеса.

Возможно Вас также заинтересует…

624002, Россия, Свердловская область, г. Арамиль, ул. Гарнизон, 3В